本公司该类产品拥有多种专利结构,可应用在各类AC 及 18V,20V DC 无刷冲击钻,能满足不同档次工具使用。
查看更多
可同时将工件做径向夹持与轴向后拉,使工件不上浮并紧贴座金基准面。
高刚性硬化处理的本体与原柱后拉机构,并经过轴孔精镗,确保夹持精度与耐用度。
查看更多
一款精度超高、持续性能绝佳的新一代液压卡盘
前所未有的精度,新一代的动卡巅峰
查看更多
1. 具体可调结构,可调精度≤0.005mm。
2. 所有零件均采用研磨工艺,产品稳定性更高,旋转灵活丝滑。
3.盘体采用QT500 优质球墨铸铁材料,耐用性高,使用寿命长。
4. 应用场景:适用于磨床,高精密数控车床及各种高精密加工设备。
查看更多
同心度≤0.02mm,重复精度≤0.01mm;
关键零件均采用研磨工艺,产品稳定性更高,旋转灵活丝滑;
盘体采用QT500优质球墨铸铁材料,耐用性高,使用寿命长。
应用场景:适用于磨床,高精密数控车床及各种高精密加工设备。
查看更多
1.锻钢盘体,高强度、高载荷、高转速。
2.卡爪、盘丝采用20铬锰(20CrMnTi)合金钢,抗冲击,更耐磨,使用寿命长。
3.全流程加工中心生产,德国瑞士检测设备,保证批量产品精度≤0.03mm。
查看更多
三鸥 Pro 高精度卡盘是三鸥最新推出的战略产品
三鸥 Pro 精度≤0.03mm(径向、端面、外圆)
查看更多


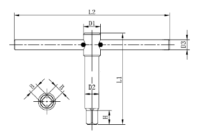
| 规格D | D1 | D2 | L1 | H | B | D3 | L2 |
| 80 | 15 | 10 | 70 | 12 | 6 | 8 | 125 |
| 100 | 15 | 10 | 70 | 12 | 6 | 8 | 125 |
| 125 | 17 | 13 | 80 | 12 | 7 | 8 | 125 |
| 160 | 20 | 16 | 100 | 18 | 10 | 10 | 160 |
| 200 | 24 | 19 | 120 | 18 | 10 | 13 | 200 |
| 250 | 24 | 20 | 120 | 18 | 12 | 13 | 250 |
| 300 | 30 | 22 | 120 | 18 | 14 | 16 | 300 |
| 320 | 30 | 22 | 152 | 18 | 14 | 16 | 300 |
| 350 | 30 | 22 | 152 | 18 | 14 | 16 | 300 |
| 400 | 30 | 22 | 152 | 18 | 14 | 16 | 300 |
| 450 | 30 | 22 | 152 | 18 | 14 | 16 | 300 |
| 500 | 36 | 28 | 200 | 27 | 14 | 20 | 500 |
| 630 | 36 | 30 | 220 | 27 | 17 | 20 | 500 |
| 800 | 44 | 36 | 260 | 30 | 19 | 20 | 500 |
| 1000 | 44 | 36 | 260 | 30 | 22 | 20 | 500 |
| 1250 | 44 | 36 | 260 | 30 | 22 | 20 | 500 |
Copyright © 2023 浙江三鸥机械股份有限公司 All Rights Reserved 浙ICP备2026027833号
设计&制作:新飞速网络