Close

K72卡盘扳手

特征:

ear47mtete|00103F0361AE|xds500258682_db|product|txt|AF798369-BED3-45BC-BBFA-29DB76CAF6B0

咨询报价

参数表

ear47mtete|20103F0361AE|xds500258682_db|product|memo|0xfcfffa0b00000000f203000001000f00
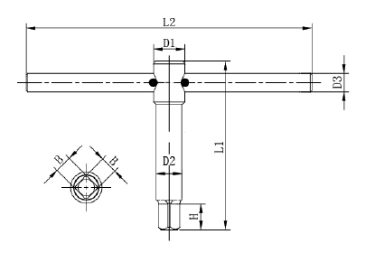
规格DD1D2L1HBD3L2
801510701268125
1001510701268125
1251713801278125
1602016100181010160
2002419120181013200
2502420120181213250
3003022120181416300
3203022152181416300
3503022152181416300
4003022152181416300
4503022152181416300
5003628200271420500
6303630220271720500
8004436260301920500
10004436260302220500
12504436260302220500